Druckfolgeventil für Tandempumpe Hoch - Nieder Druck Speed Umschalt Ventil 100l/min 350bar
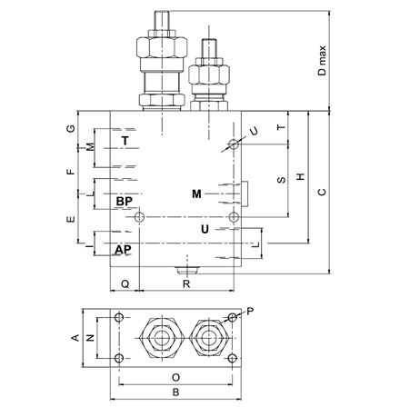
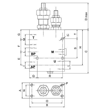
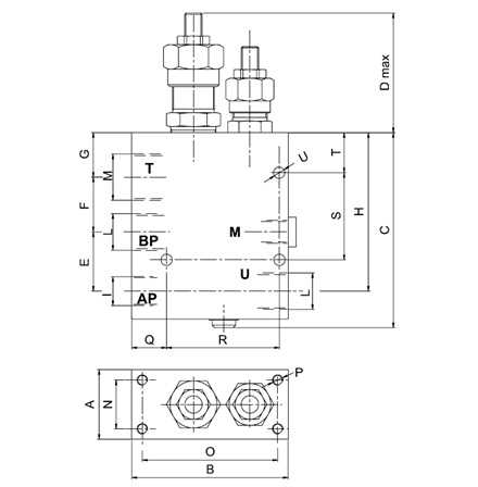
- Durchfluss max.: 100l/min Ausgang U
- Pumpe Hochdruck max.: 30l/min AP
- Pumpe Niederdruck max.: 65L/min BP
- Manometer : M
- Druck: 120 - 350bar AP
- Druck: 30 - 350bar BP
- A=50, B=110, C=128, D=77, E=35,5, F=44, G=24,5, H=97,5
- I=1/2", L=3/4", M=1"
- N=38,O=98, P=M6, Q=26,5, R=75, S=65, T=12, U=6,5
Dieses Ventil ist für Hydrauliksysteme wo mit 2 Hydraulikpumpen Tandempumpen ein Eilgang mit niederem Druck und ein Arbeitsgang mit sehr hohem Druck erzeugt wird.
Die hohe Geschwindigkeit wird durch Aufsummieren des Fördervolumens von beiden Pumpen erreicht. Volle Geschwindigkeit bis zu dem eingestellten Wert des Niederdruck VMD Ventils.
Langsame Fahrt nach dem Fördervolumen der kleinen Pumpe.
Betriebsdruck bei langsame Geschwindigkeit wird durch das Hochdruck VMD Ventil gesteuert.
Dieses Ventil wird in einer von 2 paralell arbeitenden Pumpen-Schaltung verwendet, um die Differenz zwischen dem höheren Durchfluss Pumpe zum Tank freizugeben, wenn einen bestimmten Druck Einstellung erreicht wird. Von da an arbeitet die Pumpe mit der geringeren Fördermenge und dem hohen Druck. Somit können Sie mit geringer Antriebsleistung eine hohe Geschwindigkeit der Anlage erreichen.
Bitte Unbedingt Lieferzeit anfragen da dies Ventil nicht auf Lager ist.
Artikelnummer:HYV2P-034