EUR
Währung auswählen
Währung auswählen
EUR
USD
CHF
Lieferland
Belgien
Bulgarien
Deutschland
Dänemark
Estland
Finnland
Frankreich
Griechenland
Irland
Italien
Kroatien
Lettland
Litauen
Luxemburg
Malta
Niederlande
Österreich
Polen
Portugal
Rumänien
Schweden
Slowakei (Slowakische Republik)
Slowenien
Spanien
Tschechische Republik
Ungarn
Vereinigtes Königreich Großbritannien und Nordirland
Zypern
Kundenlogin
Kundenlogin
Merkzettel
0
Suche
Alle
Alle
Hydraulik
Seilwinden
Kegelspalter
Antriebstechnik
Forsttechnik
Holzbearbeitungsmaschinen
Baumaschinentechnik
Sonderaktionen
Sägewerktechnik
Elektroteile
Gebrauchtmaschinen/-teile
Alle
Hydraulik
Seilwinden
Kegelspalter
Antriebstechnik
Forsttechnik
Holzbearbeitungsmaschinen
Baumaschinentechnik
Sonderaktionen
Sägewerktechnik
Elektroteile
Gebrauchtmaschinen/-teile
Zuverlässige Produkte
in hoher Qualität ...
Ihr Warenkorb
0,00 EUR
Sie haben noch keine Artikel in Ihrem Warenkorb.
JavaScript ist in Ihrem Browser deaktiviert. Aktivieren Sie JavaScript, um alle Funktionen des Shops nutzen und alle Inhalte sehen zu können.
Hydraulik (927)
Hydraulik anzeigen
Hydraulikventile
Hydraulikventile anzeigen
Elektrisch betätigte Hydraulikventile
Handbetätigte Hydraulikventile
Zwischenbauventile
Hydraulikaggregate
Hydraulikaggregate anzeigen
Antriebskupplung Gr. 2
Hydraulikaggregat 1,1 KW
Hydraulikaggregate 1,5 kW
Hydraulikaggregat 2,2 kW
Hydraulikaggregate 3,0 kW
Hydraulikaggregate 4,0 kW
Hydraulikaggregat 5,5 kW
Hydraulikaggregat 7,5 kW
Hydraulikaggregat 11,0 KW
Hydraulikaggregat 15,0 kW
Hydraulikaggregate 18,5 kW
Hydraulikaggregat 22,0 kW
Werkstattaggregate Hydraulikaggregate
Zubehör für Hydraulikaggregate
Hydraulikverschraubungen
Hydraulikverschraubungen anzeigen
Einstellbare Verschraubung
Gerade Einschraubverschraubung
Hohlschrauben
Hydraulikmuffen
Hydraulikstecker
Schneidringe
T-Verschraubungen
Überwurfmutter
Winkelverschraubungen
Hydraulikmotoren
Hydraulikmotoren anzeigen
Orbitmotoren ( verschiedene Ausführungen )
Zubehör Motoren ( Halteplatten, Bremsen )
Bedienhebel und Joysticks
Hydrauliköle
Hydraulikpumpen
Hydraulikpumpen anzeigen
Hydraulikpumpen BG2
Hydraulikpumpen BG3
Tandempumpen
Zubehör Hydraulikpumpen
Hydraulikschläuche
Hydrauliktanks
Hydrauliktanks anzeigen
Hydrauliktanks 36L
Hydrauliktanks 96L
Hydrauliktanks 144L
Zubehör
Hydrauliktanks 250L
Hydraulikzylinder
Hydraulikzylinder anzeigen
Hydraulikzylinder doppeltwirkend mit Befestigung
Hydraulikzylinder doppeltwirkend ohne Befestigung
Zubehör Hydraulikzylinder / Gelenkköpfe
Hydraulische Gerätebetätigungen
Zapfwellengetriebe mit Pumpe
Zapfwellengetriebe mit Pumpe anzeigen
Zapfwellengetriebe mit Pumpe BG2
Zapfwellengetriebe mit Pumpe BG3
Zapfwellengetriebe mit Tandempumpe
Zubehör Zapfwellengetriebe mit Pumpe
Zapfwellengetriebe
Zapfwellengetriebe anzeigen
Zapfwellengetriebe BG2
Zapfwellengetriebe BG3
Zubehör Zapfwellengetriebe
Ölfilter
Ölkühler
Hydraulik anzeigen
Seilwinden (47)
Seilwinden anzeigen
Hydraulische Seilwinden HAW1700
Hydraulische Seilwinden HAW3000
Hydraulische Seilwinden HAW4000
Zubehör Seilwinden
Seilwinden anzeigen
Kegelspalter (19)
Kegelspalter anzeigen
Kegelspalter mit Rotator
Kegelspalter mit Trägergerät
Kegelspalter ohne Rotator
Zubehör Kegelspalter
Kegelspalter anzeigen
Antriebstechnik (106)
Antriebstechnik anzeigen
Elektromotoren
Elektromotoren anzeigen
Elektro-Drehstrommotoren
Elektromotoren
Kratzbodenantriebe
Stehlager
Antriebstechnik anzeigen
Forsttechnik (159)
Forsttechnik anzeigen
Kegelspalter
Kegelspalter anzeigen
Kegelspalter mit Rotator
Kegelspalter mit Trägergerät
Kegelspalter ohne Rotator
Zubehör Kegelspalter
Rotatoren
Rotatoren anzeigen
Rotatoren
Zubehör Rotatoren
Bündler
Erdbohrer
Frontladerzubehör
Holzgreifer
Holzgreifer anzeigen
Holzgreifer
Rotatoraufnahme für Holzgreifer
Wechselsystem für Holzgreifer
Reisiggreifer
Holzspalter
Holzspalter anzeigen
Holzspalter liegend
Holzspalter stehend
Holzspalter, Bausatz
Holzspalter Bausatz
Kranspalter
Kranspalter anzeigen
Kranspalter, Bausatz
Kranspalter, fertig
Seilwinden
Seilwinden anzeigen
Hydraulische Seilwinden HAW1700
Hydraulische Seilwinden HAW3000
Hydraulische Seilwinden HAW4000
Zubehör Seilwinden
Trägergeräte
Wurzelfräsen
Forsttechnik anzeigen
Holzbearbeitungsmaschinen (2)
Baumaschinentechnik (10)
Baumaschinentechnik anzeigen
Greifer
Wechselsysteme
Wechselsysteme anzeigen
Schnellwechsler
Trägergerät
Wurzelfräsen
Erdbohrer
Baumaschinentechnik anzeigen
Sägewerktechnik (7)
Sonderaktionen
Elektroteile (4)
Elektroteile anzeigen
Frequenzumrichter
Elektroteile anzeigen
Gebrauchtmaschinen/-teile
Weitere
Startseite
»
Hydraulik
»
Hydraulikventile
»
Elektrisch betätigte Hydraulikventile
»
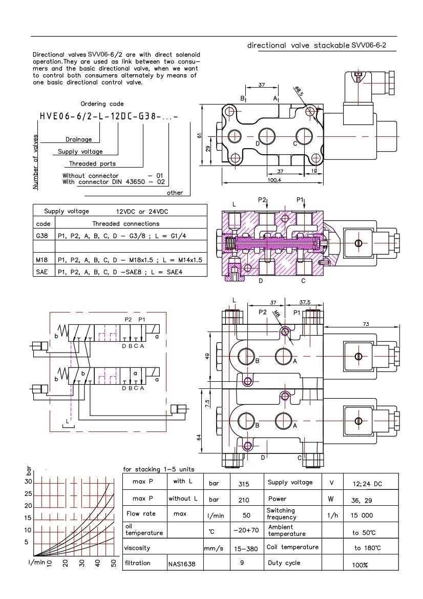
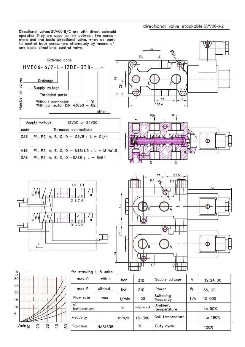
NG 6 Elektrisch betätigte Hydraulikventile
Aktueller Filter
NG 6 Elektrisch betätigte Hydraulikventile
Sortieren nach
Preis aufsteigend
Preis absteigend
Name aufsteigend
Name absteigend
Einstelldatum aufsteigend
Einstelldatum absteigend
Lieferzeit aufsteigend
Lieferzeit absteigend
Sortieren nach
Preis aufsteigend
Preis absteigend
Name aufsteigend
Name absteigend
Einstelldatum aufsteigend
Einstelldatum absteigend
Lieferzeit aufsteigend
Lieferzeit absteigend
Alle Hersteller
Alle Hersteller
Holzhäuer Hydraulik Maschinenbau GmbH
Schmetterling Reisebüro
Alle Hersteller
Holzhäuer Hydraulik Maschinenbau GmbH
Schmetterling Reisebüro
10 pro Seite
10 pro Seite
20 pro Seite
30 pro Seite
60 pro Seite
120 pro Seite
10 pro Seite
20 pro Seite
30 pro Seite
60 pro Seite
120 pro Seite
1
2
3
4
5
6
7
»
Elektro 10/4 Wege Umschaltventil 60L 12V für Frontlader 2. Steuerkreis Hydraulik
Elektro 10/4 Wege Umschaltventil 60L 12V für Frontlader 2. Steuerkreis Hydraulik
Lieferzeit:
2-3 Tage
(Ausland abweichend)
224,01 EUR
Lieferzeit:
2-3 Tage
inkl. 19% MwSt. zzgl.
Versand
In den Warenkorb
Elektro 10/4 Wege Umschaltventil Wechselventil 60L 24V für Frontlader 2. Steuerkreis Hydraulik
Elektro 10/4 Wege Umschaltventil Wechselventil 60L 24V für Frontlader 2. Steuerkreis Hydraulik
234,00 EUR
inkl. 19% MwSt. zzgl.
Versand
In den Warenkorb
Elektro 6/2 Wege Umschaltventil 12V f. Frontlader 2.Steuerkreis Hydraulik
Elektro 6/2 Wege Umschaltventil 12V f. Frontlader 2.Steuerkreis Hydraulik
Lieferzeit:
2-3 Tage
(Ausland abweichend)
76,00 EUR
Lieferzeit:
2-3 Tage
inkl. 19% MwSt. zzgl.
Versand
In den Warenkorb
Elektro 6/2 Wege Umschaltventil 24V f. Frontlader 2.Steuerkreis Hydraulik
Elektro 6/2 Wege Umschaltventil 24V f. Frontlader 2.Steuerkreis Hydraulik
Lieferzeit:
2-3 Tage
(Ausland abweichend)
66,00 EUR
Lieferzeit:
2-3 Tage
inkl. 19% MwSt. zzgl.
Versand
In den Warenkorb
Elektro 8/3 Wege Umschaltventil 12V für Frontlader 2. Steuerkreis Hydraulik
Elektro 8/3 Wege Umschaltventil 12V für Frontlader 2. Steuerkreis Hydraulik
Lieferzeit:
2-3 Tage
(Ausland abweichend)
135,00 EUR
Lieferzeit:
2-3 Tage
inkl. 19% MwSt. zzgl.
Versand
In den Warenkorb
Elektro 8/3 Wege Umschaltventil 24V für Frontlader 2. Steuerkreis Hydraulik
Elektro 8/3 Wege Umschaltventil 24V für Frontlader 2. Steuerkreis Hydraulik
Lieferzeit:
2-3 Tage
(Ausland abweichend)
135,00 EUR
Lieferzeit:
2-3 Tage
inkl. 19% MwSt. zzgl.
Versand
In den Warenkorb
Elektromagnetisches Hydraulikventil NG6 Block aus 6 Sektionen
Elektromagnetisches Hydraulikventil NG6 Block aus 6 Sektionen
949,00 EUR
inkl. 19% MwSt. zzgl.
Versand
In den Warenkorb
SOLD OUT
Elektromagnetisches Hydraulikventil NG6 Block aus 6 SektionenXXXXXXXXX
Elektromagnetisches Hydraulikventil NG6 Block aus 6 SektionenXXXXXXXXX
949,00 EUR
inkl. 19% MwSt. zzgl.
Versand
In den Warenkorb
Grundplatte NG6 1 fach mit DBV und Hydraulikventil 60L/min 4/3 P-T offen A-B geschlossen 12VDC Set
Grundplatte NG6 1 fach mit DBV und Hydraulikventil 60L/min 4/3 P-T offen A-B geschlossen 12VDC Set
Lieferzeit:
2-3 Tage
(Ausland abweichend)
99,00 EUR
Lieferzeit:
2-3 Tage
inkl. 19% MwSt. zzgl.
Versand
In den Warenkorb
Grundplatte NG6 1 fach mit DBV und Hydraulikventil 60L/min 4/3 P-T-A-B geschlossen 12VDC im Set
Grundplatte NG6 1 fach mit DBV und Hydraulikventil 60L/min 4/3 P-T-A-B geschlossen 12VDC im Set
Lieferzeit:
2-3 Tage
(Ausland abweichend)
99,00 EUR
Lieferzeit:
2-3 Tage
inkl. 19% MwSt. zzgl.
Versand
In den Warenkorb
Sortieren nach
Preis aufsteigend
Preis absteigend
Name aufsteigend
Name absteigend
Einstelldatum aufsteigend
Einstelldatum absteigend
Lieferzeit aufsteigend
Lieferzeit absteigend
Sortieren nach
Preis aufsteigend
Preis absteigend
Name aufsteigend
Name absteigend
Einstelldatum aufsteigend
Einstelldatum absteigend
Lieferzeit aufsteigend
Lieferzeit absteigend
10 pro Seite
10 pro Seite
20 pro Seite
30 pro Seite
60 pro Seite
120 pro Seite
10 pro Seite
20 pro Seite
30 pro Seite
60 pro Seite
120 pro Seite
1
2
3
4
5
6
7
»
Zeige
1
bis
10
(von insgesamt
63
Artikeln)
{{#title}}
{{title}}
{{/title}}
{{{items.src}}}
{{#showButtons}} {{/showButtons}}
{{#content}}
{{.}}
{{/content}}
{{#content}}
{{{.}}}
{{/content}}